Vật liệu mũi khoan: Hợp kim Carbide (solid carbide).
Lớp phủ: phủ đa lớp TiAlN / TiN (nhôm Titan Nitride), có màu tím đen, giúp mũi khoan có khả năng chống mài mòn nổi bật, khả năng chịu nhiệt cao, khả năng chống oxy hóa tốt, chống trầy và độ bám dính lớp phủ tuyệt vời.
Gia công: vật liệu cứng lên đến 1200 N/mm2 như vật liệu hàng không, thép, hợp kim thép, thép không gỉ, đồng, gang cầu… và nhiều ứng dụng khác.
– Chiều sâu lỗ khoan: 3xD
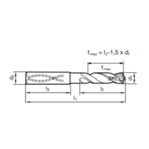
– Kích thước:
d1: 3.0 mm – d2: 6.0 mm
l1: 62.0 mm – l2: 20.0 mm – l3: 36.0 mm
– Chuôi: HA
– Góc đỉnh khoan: 140 độ
– Có đường dẫn nước làm mát









Đánh giá
Chưa có đánh giá nào.